Microscopio elettronico a scansione (SEM), analitico, da banco.
Il NANOS offre l'imaging SEM a un basso costo d'esercizio. Imaging ad alta risoluzione e spettroscopia a dispersione di energia (EDS) integrato, che consente di effettuare una rapida analisi elementare.
Nanos è facile: facile da installare, facile da usare, facile da gestire
Video
File
| Allegato | Dimensione |
|---|---|
| 5.79 MB |
News, eventi, promo, webinar
- Rilevatori SE ad alte prestazioni e 4 Quad BSE
- EDX ‒ Analisi dei punti e mappatura degli elementi
- Possibilità di utilizzo in basso vuoto
- Tavolino XY motorizzato e con inclinazione eucentrica
- Ottimizzazione delle prestazioni del filamento
- Interfaccia software intuitiva
- Bassi costi di servizio
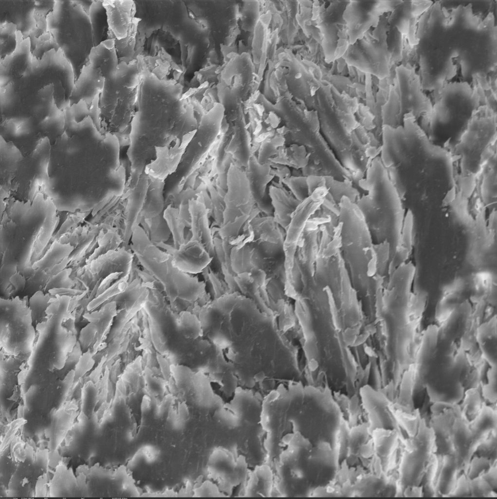
NANOS è un microscopio elettronico a scansione (SEM) da banco completo e conveniente. È stato progettato utilizzando la tecnologia più avanzata, per fornire immagini SEM e analisi elementari rapide e di alta qualità. Il suo design robusto e moderno lo rende perfetto per la ricerca e sviluppo, la didattica e l'industria.
Configurazione
Il NANOS viene fornito con BSD, SED, EDS integrati e un tilt stage eucentrico.
Design
Il NANOS ha un design robusto e moderno ed è stato progettato utilizzando materiali e componenti di ultima generazione.
Assistenza/Manutenzione
Il design del NANOS permette un facile accesso per la manutenzione e gli aggiornamenti, operazioni che possono essere effettuate direttamente nel laboratorio/ufficio del proprietario del SEM.
Solidità
Grazie all'eccellente stabilità e all'ingombro ridotto, l'architettura del NANOS ne consente l'utilizzo anche in ambienti che non siano propriamente laboratori.
Facilità d'uso
In modalità BASE il NANOS produce risultati in breve tempo, indipendentemente dall'esperienza dell'operatore. La modalità AVANZATA offre ulteriori funzionalità per analisi maggiormente dettagliate.
Stage eucentrico
Lo stage eucentrico del NANOS è veramente unico nel suo genere. Viene fornito di serie con il NANOS. I movimenti XY motorizzati possono essere controllati tramite l'interfaccia utente. L'inclinazione del campione in modalità SEM può essere eseguita ruotando manualmente il tavolino. Grazie al design eucentrico, il campione rimane a fuoco senza la necessità di modifiche intermedie nelle impostazioni SEM. L'interfaccia utente indica l'esatto angolo di inclinazione. I campioni possono essere inclinati fino ad angoli di 55 ̊.
Analisi elementare
Il NANOS è dotato di un sistema completamente integrato per la spettroscopia EDX (Energy Dispersive X-ray Analysis) Silicon drift detectors (SDDs). Tramite l'interfaccia utente l'operatore può selezionare EDX Point Analysis o attivare Elemental Mapping.
Rivelatori di elettroni
Il NANOS viene fornito con un rivelatore di elettroni secondari (SED) e un rivelatore di elettroni retrodiffusi (BSD) di default. Il BSD è un rilevatore a 4 quadranti con segmenti indipendenti completamente controllabili. Utilizzando i segmenti in diverse combinazioni, fornisce dettagli compositivi o topografici del campione, nonché immagini con un "effetto ombreggiato", che evidenzia la superficie da più direzioni.
Caratteristiche Tecniche
Ottico | Intervallo di ingrandimento: 2 – 12x |
SEM | Intervallo di ingrandimento: 50 - 200.000x |
Risoluzione | <10nm |
Ottiche | Bright field |
SEM | Sorgente termoionica ottimizzata (tungsteno) |
Tensioni di accelerazione | Predefinito: 1, 2, 5, 7, 10, 15 e 20 kV - |
Rivelatore di elettroni secondari (SED) |
Rivelatore di elettroni retrodiffusi (BSD) - 4 quadranti |
Rilevatore in dispersione dei raggi X (EDS) – integrato |
Rilevamento digitale di immagini | Telecamera di navigazione a colori |
Formati Immagine | JPEG, TIFF, PNG, BMP |
L'interazione col sistema, l'imaging e l'analisi si avvalgono di un unico monitor con controllo tramite mouse e tastiera wireless. |
Controllo remoto abilitato (ad es. iPad) |
Modalità di base e avanzate |
Archiviazione dati: Rete, USB, workstation |
Tavolino inclinabile eucentrico (da -15 a +40 МЉ) |
Assi X, Y motorizzati gestiti da computer: 25 x 25 mm |
Pin stub da 25 mm di diametro |
Disco tondo da 60 mm di diametro |
Tipo di rilevatore | Silicon Drift Detector (SDD), raffreddato termoelettricamente |
Area attiva del rilevatore | 30 mm2 |
Risoluzione energetica | @ Mn Kα < 133 eV |
Massima frequenza di conteggio in ingresso | 300,000 cps |
Integrazione hardware | Completamente incorporato |
Integrato nell'interfaccia utente di NANOS |
Analisi e mappatura EDS |
Funzioni di esportazione |
Dimensioni | 280 (l) x 630 (p) x 550 (h) mm |
Peso | 60 kg |
Pompa per il vuoto | Pompa turbo molecolare con membrana oil free per il prevuoto |
Modalità di vuoto | SEM ad alto vuoto (SEM convenzionale) e a basso vuoto 0,4 mbar (SEM a basso vuoto) |
Stazione di lavoro | PC All-in-One preconfigurato con monitor da 27. |























